오에스시스템
회사소개
인사말
연혁
경영이념
로고
오시는길
연구소
기술현황
인증서
제품소개
제품정보
PR
카다록
지명원
자료실
커뮤니티
뉴스&공지
Contact us
KR
ENG
SAU
회사소개
인사말
연혁
경영이념
로고
오시는길
연구소
기술현황
인증서
제품소개
제품정보
PR
카다록
지명원
자료실
커뮤니티
뉴스&공지
Contact us
ENG
SAU
제품소개
제품정보
자동개폐형
NEX-200GA
특징
안전 퓨즈
자동개폐식 날개
볼 베어링 모터
1m 파워플러그
2단 풀스위치
제품 문의
목록보기
상세이미지
제품 제원 및 성능
성능곡선
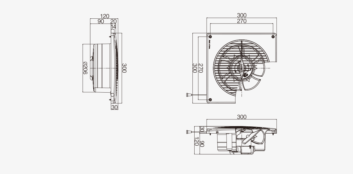
제품치수 (mm)
설치방법
1.
보강 목을 구조물에 고정 *환풍기 규격에 맞추어 보강 목을 고정(비매품) *별도의 외부 가림막 설치(비매품)
2.
첨부된 나사로 보강 목과 환풍기가 움직이지 않도록 견고하게 고정
3.
벽에 수직 상태가 되도록 고정
4.
차단기 OFF를 확인 후 안전하게 전원 연결
5.
설치 권장규격(mm) 225X225 or 230Ø